Durite araignée adaptable - efficacité modine ATTENTION
- vincou
- Membre du Club 2026

- Messages : 1130
- Enregistré le : 06 juin 2013, 19:06
- Localisation : La Garde
- Has thanked : 1 time
- Been thanked : 54 times
Re: Durite araignée adaptable - efficacité modine ATTENTION
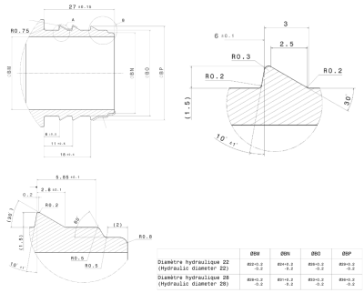
Sur les côtes plus haut il n y a pas les dimensions de la réduction intérieure .
Membre du 205 GTI Club de France .
Membre du Var Auto Sport .
Bienvenue dans la boite a bux .
Membre du Var Auto Sport .
Bienvenue dans la boite a bux .
- Olivier Ertrois
- Membre du Club 2026

- Messages : 183
- Enregistré le : 14 nov. 2024, 22:23
- Localisation : 51 Marne
- Has thanked : 84 times
- Been thanked : 55 times
- Contact :
Re: Durite araignée adaptable - efficacité modine ATTENTION
Pourquoi pas, possible.jean a écrit : 02 oct. 2025, 15:20 Page 3 de ce même sujet![]()
On a les infos.
Il reste la mise en fabrication si un membre veut se lancer sur l'intérêt et la fabrication...![]()
- jean
- Membre du Club 2026

- Messages : 19681
- Enregistré le : 03 juin 2006, 09:29
- Localisation : En Dombes
- Has thanked : 1616 times
- Been thanked : 1153 times
Re: Durite araignée adaptable - efficacité modine ATTENTION
18mm +/- 0.5vincou a écrit : 02 oct. 2025, 19:40 Sur les côtes plus haut il n y a pas les dimensions de la réduction intérieure .
La 205 rallye : Un modèle qui délivre l’une des expériences de conduite les plus radicales jamais proposées par une traction.
- vincou
- Membre du Club 2026

- Messages : 1130
- Enregistré le : 06 juin 2013, 19:06
- Localisation : La Garde
- Has thanked : 1 time
- Been thanked : 54 times
Re: Durite araignée adaptable - efficacité modine ATTENTION
Je crois qu il y a toutes les côtes à présent.
Membre du 205 GTI Club de France .
Membre du Var Auto Sport .
Bienvenue dans la boite a bux .
Membre du Var Auto Sport .
Bienvenue dans la boite a bux .
- cd911
- Membre du Club 2026

- Messages : 1114
- Enregistré le : 20 juin 2016, 15:00
- Localisation : Entre le Lion de Sochaux et celui de Belfort !
- Has thanked : 189 times
- Been thanked : 212 times
- Contact :
Re: Durite araignée adaptable - efficacité modine ATTENTION
Pour la matière, un PA66 GF30 fera le job
Sinon, j'ai pas les plans, trop vieux ...
Je pourrais essayer de refaire un modèle 3D si j'arrive à me remettre à la CAO
Sinon, j'ai pas les plans, trop vieux ...
Je pourrais essayer de refaire un modèle 3D si j'arrive à me remettre à la CAO
- vincou
- Membre du Club 2026

- Messages : 1130
- Enregistré le : 06 juin 2013, 19:06
- Localisation : La Garde
- Has thanked : 1 time
- Been thanked : 54 times
Re: Durite araignée adaptable - efficacité modine ATTENTION
Si quelqu un arrive a faire un fichier STL a partir des côtes je peux tenter une impression 3D en PLA dans un premier temps pour voir le rendu .
Membre du 205 GTI Club de France .
Membre du Var Auto Sport .
Bienvenue dans la boite a bux .
Membre du Var Auto Sport .
Bienvenue dans la boite a bux .
- Romu39
- Membre du Club 2026

- Messages : 289
- Enregistré le : 02 déc. 2018, 15:55
- Localisation : vers Arbois
- Has thanked : 70 times
- Been thanked : 86 times
Re: Durite araignée adaptable - efficacité modine ATTENTION
On va dire qu'il y a 70% des cotes ... je vais essayé de faire un fichier 3D avec ça.
Au pire je peux désosser ma vieille durite. J'essaie de faire ça pour fin de semaine ...
Au pire je peux désosser ma vieille durite. J'essaie de faire ça pour fin de semaine ...
Ma présentation:
viewtopic.php?f=39&t=50328
Le vin d'Arbois, plus tu en bois, plus tu vas droit ... (pas au volant bien sûr !!)
viewtopic.php?f=39&t=50328
Le vin d'Arbois, plus tu en bois, plus tu vas droit ... (pas au volant bien sûr !!)
- vincou
- Membre du Club 2026

- Messages : 1130
- Enregistré le : 06 juin 2013, 19:06
- Localisation : La Garde
- Has thanked : 1 time
- Been thanked : 54 times
Re: Durite araignée adaptable - efficacité modine ATTENTION
je pense qu il faut compter en longueur totale 110mm et les 2 petits piquages 30mm de long chacun , a peu près .
Membre du 205 GTI Club de France .
Membre du Var Auto Sport .
Bienvenue dans la boite a bux .
Membre du Var Auto Sport .
Bienvenue dans la boite a bux .
- vincou
- Membre du Club 2026

- Messages : 1130
- Enregistré le : 06 juin 2013, 19:06
- Localisation : La Garde
- Has thanked : 1 time
- Been thanked : 54 times
Re: Durite araignée adaptable - efficacité modine ATTENTION
J étais pas très loin !
Membre du 205 GTI Club de France .
Membre du Var Auto Sport .
Bienvenue dans la boite a bux .
Membre du Var Auto Sport .
Bienvenue dans la boite a bux .
- Romu39
- Membre du Club 2026

- Messages : 289
- Enregistré le : 02 déc. 2018, 15:55
- Localisation : vers Arbois
- Has thanked : 70 times
- Been thanked : 86 times
Re: Durite araignée adaptable - efficacité modine ATTENTION
Voilà qui fait avancer le Schmilblic
Les diamètres extérieurs des sorties que tu as donné c'est avec ou sans les cannelures ?
Il me manque aussi le diamètre extérieur de la partie centrale.
Après ça devrait être bon.
Les diamètres extérieurs des sorties que tu as donné c'est avec ou sans les cannelures ?
Il me manque aussi le diamètre extérieur de la partie centrale.
Après ça devrait être bon.
Ma présentation:
viewtopic.php?f=39&t=50328
Le vin d'Arbois, plus tu en bois, plus tu vas droit ... (pas au volant bien sûr !!)
viewtopic.php?f=39&t=50328
Le vin d'Arbois, plus tu en bois, plus tu vas droit ... (pas au volant bien sûr !!)
- cd911
- Membre du Club 2026

- Messages : 1114
- Enregistré le : 20 juin 2016, 15:00
- Localisation : Entre le Lion de Sochaux et celui de Belfort !
- Has thanked : 189 times
- Been thanked : 212 times
- Contact :
- kargal
- Membre du Club 2026

- Messages : 211
- Enregistré le : 28 déc. 2002, 21:27
- Localisation : Archelange
- Has thanked : 37 times
- Been thanked : 34 times
Re: Durite araignée adaptable - efficacité modine ATTENTION
donc diamètre 43mmRomu39 a écrit : 08 oct. 2025, 08:05 Voilà qui fait avancer le Schmilblic![]()
Les diamètres extérieurs des sorties que tu as donné c'est avec ou sans les cannelures ?
Il me manque aussi le diamètre extérieur de la partie centrale.
Après ça devrait être bon.
et à la cannelure 37.2mm pour le gros diamètre et 20.4mm pour le petit
- Romu39
- Membre du Club 2026

- Messages : 289
- Enregistré le : 02 déc. 2018, 15:55
- Localisation : vers Arbois
- Has thanked : 70 times
- Been thanked : 86 times
Re: Durite araignée adaptable - efficacité modine ATTENTION
Voilà ce que j'ai tracé
Vincou je t'envoie le STL par mail
Ma présentation:
viewtopic.php?f=39&t=50328
Le vin d'Arbois, plus tu en bois, plus tu vas droit ... (pas au volant bien sûr !!)
viewtopic.php?f=39&t=50328
Le vin d'Arbois, plus tu en bois, plus tu vas droit ... (pas au volant bien sûr !!)
- cd911
- Membre du Club 2026

- Messages : 1114
- Enregistré le : 20 juin 2016, 15:00
- Localisation : Entre le Lion de Sochaux et celui de Belfort !
- Has thanked : 189 times
- Been thanked : 212 times
- Contact :
Re: Durite araignée adaptable - efficacité modine ATTENTION
Tu as bien la restriction à D18 entre les 2 piquages modine ?Romu39 a écrit : 09 oct. 2025, 08:18 Voilà ce que j'ai tracé
2025-10-09 08_12_00-DÉRIVATION_DURITE_ARAIGNÉE (Actif) C__Users_rb_Documents_doc RB_personnel_205_dé.png
Vincou je t'envoie le STL par mail