Bonjour à tous,
Dans mon suivi de recherche de panne bobine (sujet bobine allumage brulée) je recherche des infos sur les fils qui sortent du connecteur bobine.
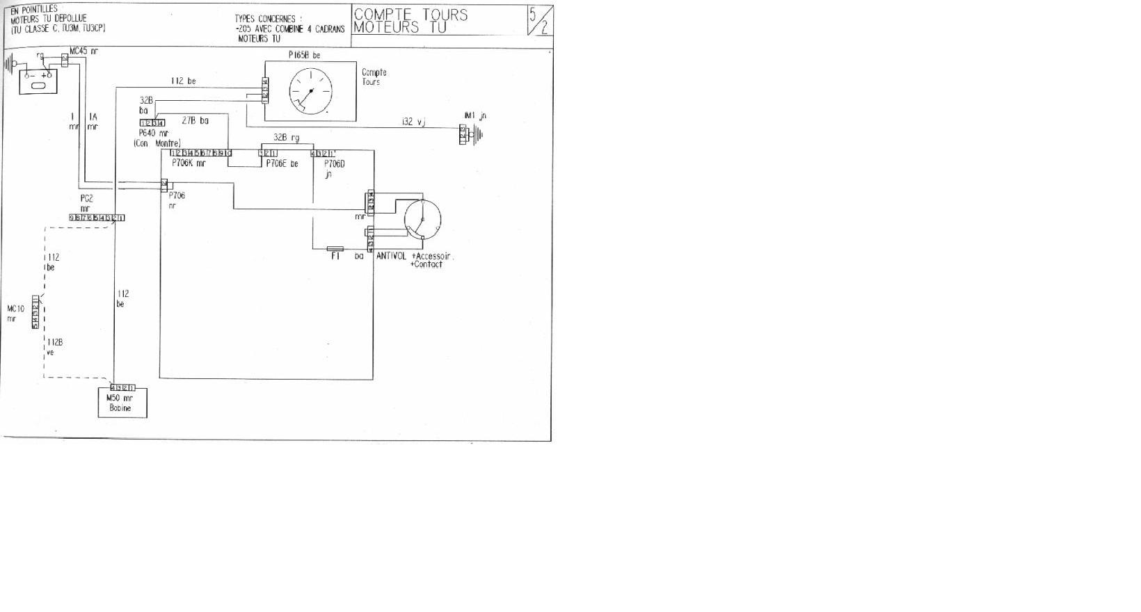
Il y a 4 fils, d'après le schéma on a:
- borne 2, le compte tour (112) qui est doublé pour aller à la planche de bord (MC50)
- borne 3, le plus après contact via la platine (2A)
Maintenant j'ai des doutes et j'en appel à vos lumières:
- borne 1: Pas de borne 1 sur le schéma alors que j'en ai un sur mon connecteur, ça vient d'où? bleu foncé..
- borne 4: 2 qui va sur le module, mais le deuxième fil, le blanc 2R (M129) impossible de savoir où ça va... des idées?
Je révise toutes les connectiques et du coup je galère...
Dernière chose: mon connecteur de la platine P706E est constitué de 2 cosses et pas d'un connecteur, c'est normal?
Au fait, je ne l'avais pas encore fait, voici la voiture! la dernière 205 rallye à rouler sur terre, et à coup sur la dernière voiture à rouler sur terre en 13''
Merci
fils faisceau allumage 205 Rallye
Règles du forum
Pour plus de simplicité, les règles d'utilisation du forum ont été revues et regroupées dans un seul et unique post.
Merci d'en prendre connaissance sans tarder en cliquant ici
Pour plus de simplicité, les règles d'utilisation du forum ont été revues et regroupées dans un seul et unique post.
Merci d'en prendre connaissance sans tarder en cliquant ici
- jean
- Membre du Club 2025

- Messages : 19638
- Enregistré le : 03 juin 2006, 09:29
- Localisation : En Dombes
- Has thanked : 1594 times
- Been thanked : 1142 times
Re: fils faisceau allumage 205 Rallye
Fait nous une présentation de ta 205 rallye "Terre" dans la section apropriée !
on sera tous très curieux de la voir de près, son montage, des photos en action !
on sera tous très curieux de la voir de près, son montage, des photos en action !
La 205 rallye : Un modèle qui délivre l’une des expériences de conduite les plus radicales jamais proposées par une traction.
Re: fils faisceau allumage 205 Rallye
Merci Kargal, mon schéma faisceau est complet.
Oui jean, j'ai eu Adri83 qui m'en a parlé, c'est très cool, j'y mettrai un max d'info volontiers, j'espère juste que ce p***** d'allumage fonctionnera jusqu'à dimanche soir!
Travaux prévu demain et jeudi:
re-re-re vérification des masses et des faisceaux, parallélisme, mise en place des protèges carter et réservoir, des attaches, un tour dans le champs pour voir que rien ne bouge et on va allumer cierge à la gloire de notre dame de la 205 rallye pour qu'elle démarre vendredi.
A bientôt!
Oui jean, j'ai eu Adri83 qui m'en a parlé, c'est très cool, j'y mettrai un max d'info volontiers, j'espère juste que ce p***** d'allumage fonctionnera jusqu'à dimanche soir!
Travaux prévu demain et jeudi:
re-re-re vérification des masses et des faisceaux, parallélisme, mise en place des protèges carter et réservoir, des attaches, un tour dans le champs pour voir que rien ne bouge et on va allumer cierge à la gloire de notre dame de la 205 rallye pour qu'elle démarre vendredi.
A bientôt!
Re: fils faisceau allumage 205 Rallye
En fait aucun des schémas de ce document ne semble correspondre complétement au moteur TU... la page que tu me montre indique la connexion sur le fil 4, celui qui manque à ma page est le 1... ce que j'ai trouvé de plus proche c'est le schéma de la revue technique, ci dessous:kargal a écrit :t' as pas le bon schema
Bon avec tout ça je devrais retrouver les masses et les points de mesure, pas de soucis, mais ça vaut le coup de creuser pour avoir un détail des raccords et des fils doublés.
A+ et merci de l'aide
Re: fils faisceau allumage 205 Rallye
Bon, fin de l'histoire du faisceau d'allumage:
Les schémas elec sont bons, mais les fils ne sont pas tous utilisés selon les modèles, au final les seuls câbles que nous avons conservé pour réduire le faisceau et ses avaries potentielles au minimum sont sur l'image ci dessous, même le compte tour a sauté (en rallye c'est pas top mais merci au parasitage sur la ligne de micro-casque qui était exactement proportionnelle à la vitesse moteur on pu faire ça à l'oreille). Le compte tour est peut-être même la cause des soucis car il est câblé sur la borne de rupture de la boucle primaire bobine (donné par le module).
sur ma 205 rallye les fils 2R blanc et 112C verts ne sont pas branchés (d'origine semble t'il).
Les schémas elec sont bons, mais les fils ne sont pas tous utilisés selon les modèles, au final les seuls câbles que nous avons conservé pour réduire le faisceau et ses avaries potentielles au minimum sont sur l'image ci dessous, même le compte tour a sauté (en rallye c'est pas top mais merci au parasitage sur la ligne de micro-casque qui était exactement proportionnelle à la vitesse moteur on pu faire ça à l'oreille). Le compte tour est peut-être même la cause des soucis car il est câblé sur la borne de rupture de la boucle primaire bobine (donné par le module).
sur ma 205 rallye les fils 2R blanc et 112C verts ne sont pas branchés (d'origine semble t'il).
