Sonde pression d huile

Toutes vos questions du câble d'accélérateur à la sortie de la boite
Règles du forum
Pour plus de simplicité, les règles d'utilisation du forum ont été revues et regroupées dans un seul et unique post.
Merci d'en prendre connaissance sans tarder en cliquant ici
Répondre
Avatar du membre
bastoon
Habitué
Habitué
Messages : 119
Enregistré le : 23 janv. 2010, 13:02
Localisation : La rochelle (17)

Sonde pression d huile

Message par bastoon »

Je vais acheter un mano de pression d huile et j aurai voulu savoir ou est l emplacement optimal de la sonde ?
Merci
Image

Votre renault sport, le lien le plus solide qui vous unis à votre garagiste ...
Avatar du membre
teamjegc
Mordu
Mordu
Messages : 852
Enregistré le : 22 sept. 2009, 21:42
Localisation : Vivonne
Has thanked : 38 times
Been thanked : 36 times

Re: Sonde pression d huile

Message par teamjegc »

bastoon a écrit :Je vais acheter un mano de pression d huile et j aurai voulu savoir ou est l emplacement optimal de la sonde ?
Merci
Sur le devant du bloc, juste derrière le collecteur d'échappement :ok: , tu as la sonde d'origine avec une seul fiche ;) .
Avatar du membre
bastoon
Habitué
Habitué
Messages : 119
Enregistré le : 23 janv. 2010, 13:02
Localisation : La rochelle (17)

Re: Sonde pression d huile

Message par bastoon »

Tu as une photo Jeremy ?
Image

Votre renault sport, le lien le plus solide qui vous unis à votre garagiste ...
Avatar du membre
teamjegc
Mordu
Mordu
Messages : 852
Enregistré le : 22 sept. 2009, 21:42
Localisation : Vivonne
Has thanked : 38 times
Been thanked : 36 times

Re: Sonde pression d huile

Message par teamjegc »

bastoon a écrit :Tu as une photo Jeremy ?
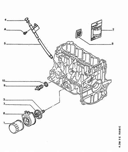
2c11a10c.jpg
Tu mets ton capteur à la place de la sonde d'origine (Repère 9 sur l'image) mais Jean luc 13 avait fait un super montage sur ça groupe A avec un flexible avia pour déporté le capteur sur le longeron :ok: .
Avatar du membre
bastoon
Habitué
Habitué
Messages : 119
Enregistré le : 23 janv. 2010, 13:02
Localisation : La rochelle (17)

Re: Sonde pression d huile

Message par bastoon »

Il sert a quoi le capteur ?
Image

Votre renault sport, le lien le plus solide qui vous unis à votre garagiste ...
Avatar du membre
scale33
Membre du Club 2025
Membre du Club 2025
Messages : 10862
Enregistré le : 11 mai 2005, 14:27
Localisation : Aquitaine
Been thanked : 63 times
Contact :

Re: Sonde pression d huile

Message par scale33 »

Uniquement à allumer ton témoin d'alerte au TdB ;) :ok:
ImageImage

C'est parce que la vitesse de la lumière est supérieur à celle du son que certains ont l'air brillant avant d'avoir l'air con,d'ailleurs.......
Quand on est mort,...on ne sait pas qu'on est mort,c'est pour les autres que c'est difficile...........Quand on est con,.....c'est pareil
Avatar du membre
teamjegc
Mordu
Mordu
Messages : 852
Enregistré le : 22 sept. 2009, 21:42
Localisation : Vivonne
Has thanked : 38 times
Been thanked : 36 times

Re: Sonde pression d huile

Message par teamjegc »

scale33 a écrit :Uniquement à allumer ton témoin d'alerte au TdB ;) :ok:
Voilà juste pour allumé le voyant au compteur :ok: .
Avatar du membre
bastoon
Habitué
Habitué
Messages : 119
Enregistré le : 23 janv. 2010, 13:02
Localisation : La rochelle (17)

Re: Sonde pression d huile

Message par bastoon »

D accord bon alors je vais mettre une belle sonde double à la place :)
Image

Votre renault sport, le lien le plus solide qui vous unis à votre garagiste ...
Avatar du membre
scale33
Membre du Club 2025
Membre du Club 2025
Messages : 10862
Enregistré le : 11 mai 2005, 14:27
Localisation : Aquitaine
Been thanked : 63 times
Contact :

Re: Sonde pression d huile

Message par scale33 »

Oui avec l'adaptateur qui va bien,......demandes à J-Luc13 pour l'installation. ;) :ok:
ImageImage

C'est parce que la vitesse de la lumière est supérieur à celle du son que certains ont l'air brillant avant d'avoir l'air con,d'ailleurs.......
Quand on est mort,...on ne sait pas qu'on est mort,c'est pour les autres que c'est difficile...........Quand on est con,.....c'est pareil
Avatar du membre
tmrallye
Pilier de bar
Pilier de bar
Messages : 2004
Enregistré le : 15 oct. 2007, 16:24
Localisation : 90 Cité du Lion
Has thanked : 19 times
Been thanked : 68 times

Re: Sonde pression d huile

Message par tmrallye »

bastoon a écrit :D accord bon alors je vais mettre une belle sonde double à la place :)
Mets une belle sonde double, c'est une bonne chose....mais surtout pas "à la place" de celui d'origine !!! :blink:

Si tu la mets là, ta sonde va surchauffer avec le collecteur et le tube d'échappement...et au final va cuire et claquer ! :angry:
Le mieux c'est de mettre un adaptateur (sur le bloc) sur lequel tu visses un flexible pour déporter ta sonde afin de la protéger de la chaleur (excessive pour une sonde de pression d'huile) de l'échappement.

Ensuite il te restera à fixer ta sonde à l'endroit de ton choix, par exemple sur la traverse supérieure, sur la joue d'aile, ou comme je l'ai fait sur la partie supérieure du radiateur ! :ok:
La vie en glissade c'est magnifique, la vie sur des rails c'est monotone ! (Ari VATANEN)
Avatar du membre
bastoon
Habitué
Habitué
Messages : 119
Enregistré le : 23 janv. 2010, 13:02
Localisation : La rochelle (17)

Re: Sonde pression d huile

Message par bastoon »

Merci du conseil !
JL si tu passe par la je veux bien voir les photos de ton instal :D
Image

Votre renault sport, le lien le plus solide qui vous unis à votre garagiste ...
Avatar du membre
jean-luc13
Membre du Club 2025
Membre du Club 2025
Messages : 13397
Enregistré le : 20 févr. 2004, 11:48
Localisation : dépt 13
Has thanked : 442 times
Been thanked : 1080 times
Contact :

Re: Sonde pression d huile

Message par jean-luc13 »

bastoon a écrit :Merci du conseil !
JL si tu passe par la je veux bien voir les photos de ton instal :D
^_^ http://www.205rallye.net/forum/viewtopi ... 9e#p454190
Image
site  Rallye13Photos: http://www.rallye13photos.com/
"le démarrage matinal d'une 205 Rallye ne sera jamais un acte banal" (Echappement)
Avatar du membre
bastoon
Habitué
Habitué
Messages : 119
Enregistré le : 23 janv. 2010, 13:02
Localisation : La rochelle (17)

Re: Sonde pression d huile

Message par bastoon »

La sonde d origine c est un thermo contact mais a température il se déclenche ?
Image

Votre renault sport, le lien le plus solide qui vous unis à votre garagiste ...
Avatar du membre
balouba
Pilier de bar
Pilier de bar
Messages : 4726
Enregistré le : 03 janv. 2005, 17:49
Localisation : Jenlain 59
Has thanked : 811 times
Been thanked : 850 times

Re: Sonde pression d huile

Message par balouba »

non c'est un mano contact, quand la pression est nulle il allume le voyant stop au tableau de bord c'est tout
ImageImage
Avatar du membre
jean
Membre du Club 2025
Membre du Club 2025
Messages : 19638
Enregistré le : 03 juin 2006, 09:29
Localisation : En Dombes
Has thanked : 1594 times
Been thanked : 1142 times

Re: Sonde pression d huile

Message par jean »

La température exacte de déclenchement ça doit être troptard°C
La 205 rallye : Un modèle qui délivre l’une des expériences de conduite les plus radicales jamais proposées par une traction.
Avatar du membre
balouba
Pilier de bar
Pilier de bar
Messages : 4726
Enregistré le : 03 janv. 2005, 17:49
Localisation : Jenlain 59
Has thanked : 811 times
Been thanked : 850 times

Re: Sonde pression d huile

Message par balouba »

ce mano contact ne detecte pas la T° .......
ImageImage
Répondre

Retourner vers « Moteur / boite »