Ampérage ventilateur...

Le reste quoi
Règles du forum
Pour plus de simplicité, les règles d'utilisation du forum ont été revues et regroupées dans un seul et unique post.
Merci d'en prendre connaissance sans tarder en cliquant ici
Répondre
Avatar du membre
devil-gti
Amateur
Amateur
Messages : 17
Enregistré le : 22 janv. 2011, 10:13
Localisation : 07

Ampérage ventilateur...

Message par devil-gti »

Bonjours a tous,

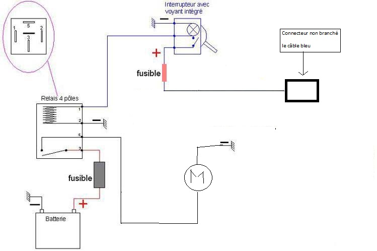
Sur ma 205, j'ai rajouter un second ventilateur (voir schéma si dessous), j'ai laisser celui d'origine en fonctionnement normal, je voudrais savoir combien de watt fait un ventilo, parce que je sais pas trop quoi mettre comme fusible... :wacko:
ventilo.jpg
Pour ceux qui se demande se que signifie "le connecteur non branché, le câble bleu", je me suis aider du sujet
"Déclencher le motoventilateur moteur du site larallye.net"
Avatar du membre
Lilive
Pilier de bar
Pilier de bar
Messages : 4745
Enregistré le : 03 févr. 2003, 21:53
Localisation : Agen (47)
Has thanked : 2 times
Been thanked : 119 times

Re: Ampérage ventilateur...

Message par Lilive »

le mieux c'est de brancher un ampèremètre dans ton montage et de voir la conso de courant, ensuite par exemple si le ventilo en marche consomme 10A tu mets un fusible de 15 voire 20 et tu sais que tu ne crameras pas le faisceau tout en gardant une marge de sécurité pour les variations de conso (T° extérieure, léger grippage du ventilo, ...) ;)

Moi j'ai fais comme ça en tous cas :)
Avatar du membre
Jacques G
Assidu
Assidu
Messages : 162
Enregistré le : 29 avr. 2008, 19:47
Localisation : La Thieuloye (Près de st pol sur ternoise) Pas de calais

Re: Ampérage ventilateur...

Message par Jacques G »

Bsoir, un ventilo de rallye fait 230 Watts
2 205 Rallye F2000/11, 1 205 Rallye F2000/12, 1 205 Gti 1900 16S, 1 205 Griffe ss moteur, 1 205 Génération GPL, 1 205 diesel
Avatar du membre
devil-gti
Amateur
Amateur
Messages : 17
Enregistré le : 22 janv. 2011, 10:13
Localisation : 07

Re: Ampérage ventilateur...

Message par devil-gti »

OK, merci, donc sa me fait 230w/12v =19.16A, soit un fusible de 20A :ok:
Avatar du membre
jean
Membre du Club 2025
Membre du Club 2025
Messages : 19666
Enregistré le : 03 juin 2006, 09:29
Localisation : En Dombes
Has thanked : 1607 times
Been thanked : 1148 times

Re: Ampérage ventilateur...

Message par jean »

devil-gti a écrit :OK, merci, donc sa me fait 230w/12v =19.16A, soit un fusible de 20A :ok:
Qui va péter au moindre forçage du ventilo. Grippage, hiver où les 12V sont faiblards etc...
Je mettrai un poil plus gras en fusibles. Si tu es cablé "gros" c'est bien.

Mets 25A ;)
La 205 rallye : Un modèle qui délivre l’une des expériences de conduite les plus radicales jamais proposées par une traction.
Avatar du membre
devil-gti
Amateur
Amateur
Messages : 17
Enregistré le : 22 janv. 2011, 10:13
Localisation : 07

Re: Ampérage ventilateur...

Message par devil-gti »

Merci de ta précision, j'ai câbler en 4mm2 le circuit puissance. :ok:
Avatar du membre
olivF2000
Membre du Club 2025
Membre du Club 2025
Messages : 5147
Enregistré le : 27 déc. 2002, 22:08
Localisation : ESSONNE (91)
Has thanked : 595 times
Been thanked : 602 times

Re: Ampérage ventilateur...

Message par olivF2000 »

Le fusible d'origine du seul ventilo est de 25A qui est dans petit boitier noir acroché au dessus de calandre derrière le phare gauche ;)donc,c'est un 25A :ok:
seby
Mordu
Mordu
Messages : 933
Enregistré le : 05 mars 2009, 22:39
Localisation : si vous saviez
Been thanked : 1 time

Re: Ampérage ventilateur...

Message par seby »

+1 ne pas oublier l'intensité supérieur au démarrage et pour 25A il faut du 4mm² donc ton choix est bon
article 1: j'ai toujours raison
article 2: même quand j'ai tord toujours se référencer à l'article 1

205 XS http://www.205rallye.net/forum/viewtopi ... 54&t=30691
elle est finie

205 F2000-13 http://www.205rallye.net/forum/viewtopi ... 54&t=43470
Répondre

Retourner vers « Intérieur / electricité / carrosserie »