drole de panne !

Le reste quoi
Règles du forum
Pour plus de simplicité, les règles d'utilisation du forum ont été revues et regroupées dans un seul et unique post.
Merci d'en prendre connaissance sans tarder en cliquant ici
Répondre
Avatar du membre
benoit33
Assidu
Assidu
Messages : 247
Enregistré le : 06 nov. 2011, 19:22
Localisation : gironde 33

drole de panne !

Message par benoit33 »

bonjour a tous
je vous est fait des photos pour mieux comprendre

voiture 014.JPG
dans ce boitier j'ai un contacteur qui reste coincé :
voiture 009.JPG
a quoi sert t il car si je le deconnecte tout marche :wacko:
je me dit que si il est la s'est qu'il doit servir mais a quoi ?
le plus embetement s'est qu'il me vide la baterie en un temps record
si quelqu'un peux me renseigner
merci
initials BB
Avatar du membre
scale33
Membre du Club 2025
Membre du Club 2025
Messages : 10862
Enregistré le : 11 mai 2005, 14:27
Localisation : Aquitaine
Been thanked : 63 times
Contact :

Re: drole de panne !

Message par scale33 »

C'est ton relais de ventilateur.
Ta sonde est off et il reste enclenché. ;) :ok:
ImageImage

C'est parce que la vitesse de la lumière est supérieur à celle du son que certains ont l'air brillant avant d'avoir l'air con,d'ailleurs.......
Quand on est mort,...on ne sait pas qu'on est mort,c'est pour les autres que c'est difficile...........Quand on est con,.....c'est pareil
Avatar du membre
benoit33
Assidu
Assidu
Messages : 247
Enregistré le : 06 nov. 2011, 19:22
Localisation : gironde 33

Re: drole de panne !

Message par benoit33 »

ok mais il devrais tourner tout le temps ?
ou alors il ne se déclanche plus ?
et j'aurais cru que ça serait l'autre a coté vu que les fils sont plus gros
d'un autre coté j'y connais pas grand chose donc je te fais confiance ;)
a changer :ok:
initials BB
Avatar du membre
cherokee83
Pilier de bar
Pilier de bar
Messages : 3099
Enregistré le : 29 sept. 2006, 21:56
Localisation : fayence 83
Has thanked : 3 times
Been thanked : 9 times

Re: drole de panne !

Message par cherokee83 »

benoit33 a écrit :ok mais il devrais tourner tout le temps ?
j'aurais dit la meme chose que toi
LES WEBERS NE PARLENT PAS ILS CHANTENT
Image
Avatar du membre
fifi
Mordu
Mordu
Messages : 551
Enregistré le : 30 nov. 2005, 16:28
Localisation : Tralaland

Re: drole de panne !

Message par fifi »

Je me suis déjà posé la question de ce truc là :

C'est une espèce de boitier relais (temporisateur) qui se "prépare" à déclencher le ventilo si la température moteur (prise à la sonde d'air au niveau des carbus) dépasse les 60°C dans les 12 minutes qui suivent l'arrêt du contact

normalement, 12 minutes après , ça doit se déconnecter .
Sinon c'est que le temporisateur est HS
Avatar du membre
Lilive
Pilier de bar
Pilier de bar
Messages : 4745
Enregistré le : 03 févr. 2003, 21:53
Localisation : Agen (47)
Has thanked : 2 times
Been thanked : 119 times

Re: drole de panne !

Message par Lilive »

Ton ventilo ne reste pas enclenché moteur arrêté ? Si tu débranches ce relais ta batterie ne se vide plus c'est bien ça ?
Déjà regarde si ton ventilo tourne en le shuntant car si ça se trouve tu as 2 pannes : le relais qui reste enclenché (dû à une sonde HS ou un court circuit sur le faisceau) et le ventilo grippé et qui ne tourne pas
Avatar du membre
benoit33
Assidu
Assidu
Messages : 247
Enregistré le : 06 nov. 2011, 19:22
Localisation : gironde 33

Re: drole de panne !

Message par benoit33 »

mon ventilo ne reste pas enclenché moteur arreté
je suis obligé de l'enlever car le tempo reste enclencher tout le temps et il me vide la baterie
par contre en shuntant le ventilo il tourne normalement donc je pense pas de problème a ce niveau
de toute façon le tempo est mort donc je vais le changer :ok:
mais je voulais quand même savoir a quoi il servais
merci pour vos réponses a tous :D
initials BB
Avatar du membre
fifi
Mordu
Mordu
Messages : 551
Enregistré le : 30 nov. 2005, 16:28
Localisation : Tralaland

Re: drole de panne !

Message par fifi »

oui ça tête quand même en électricité ce tempo
Avatar du membre
benoit33
Assidu
Assidu
Messages : 247
Enregistré le : 06 nov. 2011, 19:22
Localisation : gironde 33

Re: drole de panne !

Message par benoit33 »

fifi a écrit :oui ça tête quand même en électricité ce tempo
3 jours et quand j'ai trouné la clé : rien de chez rien même pas un voyant :crying:
cable une autre voiture et vroum.......enfin pas du premier coup :lol:
initials BB
Avatar du membre
olivF2000
Membre du Club 2025
Membre du Club 2025
Messages : 5147
Enregistré le : 27 déc. 2002, 22:08
Localisation : ESSONNE (91)
Has thanked : 595 times
Been thanked : 602 times

Re: drole de panne !

Message par olivF2000 »

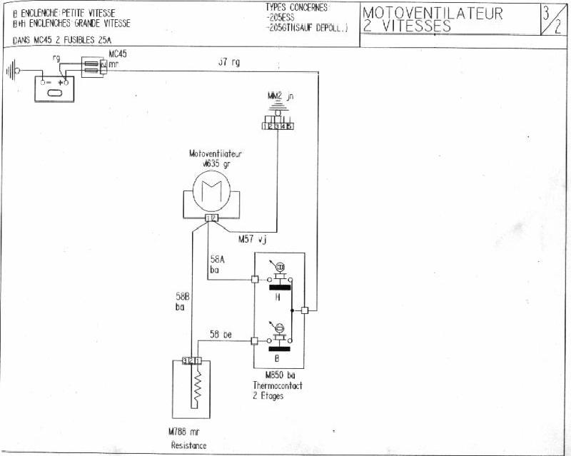
Le montage d'origine n'utilise pas de relais,si tu juges que ca ne t'apporte rien dans le montage post modif de Peugeot désactives le ,ca sera plus fiable ;)
Fichiers joints
ventilation origine
ventilation origine
Avatar du membre
benoit33
Assidu
Assidu
Messages : 247
Enregistré le : 06 nov. 2011, 19:22
Localisation : gironde 33

Re: drole de panne !

Message par benoit33 »

merci oliv
quand scale est venu voir ma ralloche il y a jeté un oeil (pas les deux hein..... :lol: )
il m'a dit que ce relais est en fait brancher sur une sonde de température sur la plaque devant les carbu
vue que je n'ai plus cette plaque ......plus de sonde........donc j'ai enlevé le relais
son conseil était de ne pas le changer.....
depuis sa marche :D
et ma batterie tient la charge
initials BB
Avatar du membre
olivF2000
Membre du Club 2025
Membre du Club 2025
Messages : 5147
Enregistré le : 27 déc. 2002, 22:08
Localisation : ESSONNE (91)
Has thanked : 595 times
Been thanked : 602 times

Re: drole de panne !

Message par olivF2000 »

Cool :ok:
Répondre

Retourner vers « Intérieur / electricité / carrosserie »