Problème électrique... bizZare....

Le reste quoi
Règles du forum
Pour plus de simplicité, les règles d'utilisation du forum ont été revues et regroupées dans un seul et unique post.
Merci d'en prendre connaissance sans tarder en cliquant ici
Verrouillé
Avatar du membre
fonce58
Membre du Club 2025
Membre du Club 2025
Messages : 1888
Enregistré le : 27 oct. 2008, 23:09
Localisation : Avrée (58)
Has thanked : 25 times
Been thanked : 91 times

Problème électrique... bizZare....

Message par fonce58 »

Bonjour à vous
Encore un petit souci niveau electrique: Impossible de trouvé dou sa vien
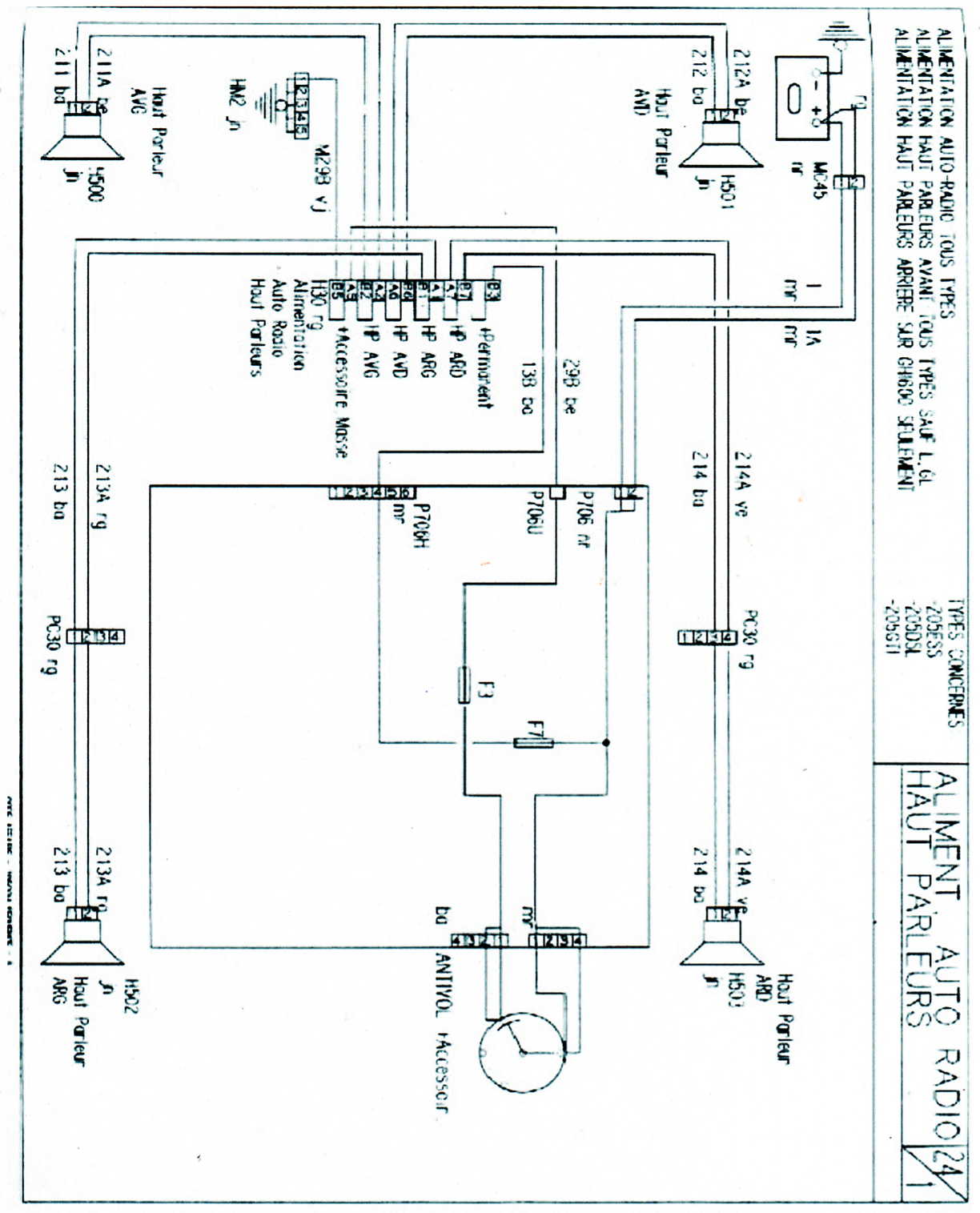
Au niveau alimentation de l'autoradio, il fonctionne quand le bouton de degivrage de la lunette arr est enclanché.Pas terrible l'affaire :excl: .Je penssai que sa venait d'une mauvaise masse, donc j'ai tester les files qui arrive à l'autoradio (3 files arrivent 2 + et une masse), finalement cela vien du alimentation + (couleur bleu ciel 298).Il me semble que c'est le + après contact.
En mà possetion juste une revue technique de 309 gti (impossible de retrouver la bonne ref de se file)
Un faisceau 205 mauvaise état (impossible de retrouver ce fameux fils)
Ducoup j'ai telecharger le schéma electrique de la rallye (faut pas etre prèssé ,j'ai pas l'adsl)
Si quelqu'un peut me renseigner, je lui ou vous en remercie d'avance
205 un jour , deux cent cinq toujours !
Avatar du membre
fonce58
Membre du Club 2025
Membre du Club 2025
Messages : 1888
Enregistré le : 27 oct. 2008, 23:09
Localisation : Avrée (58)
Has thanked : 25 times
Been thanked : 91 times

Re: PROBLEME ELECTRIQUE ... bizare....

Message par fonce58 »

impossible d'ouvrir le plan du schéma electrique? je suis pas rendu :angry:
205 un jour , deux cent cinq toujours !
Avatar du membre
scale33
Membre du Club 2025
Membre du Club 2025
Messages : 10862
Enregistré le : 11 mai 2005, 14:27
Localisation : Aquitaine
Been thanked : 63 times
Contact :

Re: PROBLEME ELECTRIQUE ... bizare....

Message par scale33 »

fonce58 a écrit :impossible d'ouvrir le plan du schéma electrique? je suis pas rendu :angry:
Je vais te l'envoyer alors.
ImageImage

C'est parce que la vitesse de la lumière est supérieur à celle du son que certains ont l'air brillant avant d'avoir l'air con,d'ailleurs.......
Quand on est mort,...on ne sait pas qu'on est mort,c'est pour les autres que c'est difficile...........Quand on est con,.....c'est pareil
Avatar du membre
fonce58
Membre du Club 2025
Membre du Club 2025
Messages : 1888
Enregistré le : 27 oct. 2008, 23:09
Localisation : Avrée (58)
Has thanked : 25 times
Been thanked : 91 times

Re: PROBLEME ELECTRIQUE ... bizare....

Message par fonce58 »

sa c'est super sympa :ok: merci scale :ok:
205 un jour , deux cent cinq toujours !
Avatar du membre
scale33
Membre du Club 2025
Membre du Club 2025
Messages : 10862
Enregistré le : 11 mai 2005, 14:27
Localisation : Aquitaine
Been thanked : 63 times
Contact :

Re: PROBLEME ELECTRIQUE ... bizare....

Message par scale33 »

Voilà le schéma :ok:
Fichiers joints
img001.jpg
ImageImage

C'est parce que la vitesse de la lumière est supérieur à celle du son que certains ont l'air brillant avant d'avoir l'air con,d'ailleurs.......
Quand on est mort,...on ne sait pas qu'on est mort,c'est pour les autres que c'est difficile...........Quand on est con,.....c'est pareil
Avatar du membre
fonce58
Membre du Club 2025
Membre du Club 2025
Messages : 1888
Enregistré le : 27 oct. 2008, 23:09
Localisation : Avrée (58)
Has thanked : 25 times
Been thanked : 91 times

Re: PROBLEME ELECTRIQUE ... bizare....

Message par fonce58 »

reste plus qu'à etudier le probleme.encore merci :ok: :blush:
205 un jour , deux cent cinq toujours !
Avatar du membre
scale33
Membre du Club 2025
Membre du Club 2025
Messages : 10862
Enregistré le : 11 mai 2005, 14:27
Localisation : Aquitaine
Been thanked : 63 times
Contact :

Re: Problème électrique... bizZare....

Message par scale33 »

Ca serait tellement plus simple si on était tous voisins :ok: :lol:
ImageImage

C'est parce que la vitesse de la lumière est supérieur à celle du son que certains ont l'air brillant avant d'avoir l'air con,d'ailleurs.......
Quand on est mort,...on ne sait pas qu'on est mort,c'est pour les autres que c'est difficile...........Quand on est con,.....c'est pareil
Avatar du membre
fonce58
Membre du Club 2025
Membre du Club 2025
Messages : 1888
Enregistré le : 27 oct. 2008, 23:09
Localisation : Avrée (58)
Has thanked : 25 times
Been thanked : 91 times

Re: Problème électrique... bizZare....

Message par fonce58 »

Problème resolu :D :ok:
205 un jour , deux cent cinq toujours !
Verrouillé

Retourner vers « Intérieur / electricité / carrosserie »