Alors; je suis passé chez peugeot ce matin.
ça se prend par 10 ou ça ne se prend pas, et il m'a dit qu'il ne pouvait pas avoir la photo ou l'image de l'objet...
du coup j'en suis à reprendre à la cosse normale.
par contre je suis embêté car j'ai un fil qui s'est arraché .
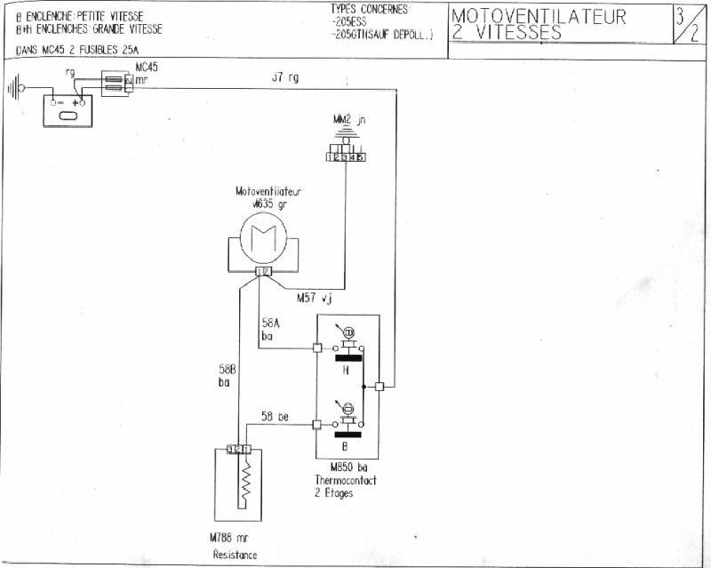
sur la sonde j'ai 3 bornes :
la gauche et la droite étant prises dans le sens de la marche : en gros sonde montée, en regardant depuis le compartiment moteur.
sur la borne 1, j'ai un gros fil rouge, qui arrive : le numéro 57
sur la borne 2, j'ai 2 fils verdâtres : le 58 et le 58 (C? ), j'arrive pas bien à le lire, mais ça ressemble à un C
sur la borne 3, j'ai 2 fils couleur blanc-crème : un qui est fondu au niveau du numéro (mais qui finit par 8A) , que je suppose être le 58A et le 58 (J ? )
et j'ai un fil rouge tout seul, qui porte le numéro 57A, celui là , je ne sais pas où il va.
je le mettrai bien avec le 57, parce qu'ils ont le même numéro, et que ça permettrait de pas laisser le 57 tout seul ... et de les laisser bosser par paire.
Mais comme l'électricité auto, c'est pas meetic,

, j'aimerais être sûr de pas faire une connerie.
D'autant que seule la borne du 57 n'a pas fondu, et qu'il ne semble pas qu'il y ait eu un autre avec lui.
Si je regarde par rapport au plus probable, le 57 A irait le plus logiquement avec les blancs, puisque c'est la borne la plus atteinte et qui aurait pu laisser s'échapper un de ses membres.
Précisons que les "A" sont des suppositions, on dirait des V à l'envers... mais j'espère qu'ils ont pas fait des repères sur le faisceau en cyrillique ...
ah , aussi, c'est une 205 GTI 1600 115 de 1988,
que la RTA n'est pas assez claire pour moi (ou plus exactement j'ai bien du mal à déchiffrer les hiéroglyphes qui y sont dessus)
Merci de vos informations